পণ্য
ফ্ল্যাঞ্জড গ্লোব ভালভ
  • ফ্ল্যাঞ্জড গ্লোব ভালভফ্ল্যাঞ্জড গ্লোব ভালভ

ফ্ল্যাঞ্জড গ্লোব ভালভ

GenTant পেশাদারভাবে উচ্চ-মানের ফ্ল্যাঞ্জড গ্লোব ভালভ উত্পাদন করে এবং আমাদের কারখানাটি আপনার সঠিক বৈশিষ্ট্যগুলি পূরণ করার জন্য যোগ্য প্রকল্পগুলির জন্য ব্যাপক কাস্টমাইজড পরিষেবা এবং বিনামূল্যে নমুনা সরবরাহ করে। আমাদের দক্ষতা এই একক পণ্য লাইনের বাইরে প্রসারিত; আমরা শিল্প ভালভের একটি বৈচিত্র্যময় এবং বিস্তৃত পোর্টফোলিও তৈরিতে বিশেষজ্ঞ। এই বিস্তৃত উত্পাদন ক্ষমতা গভীর, ক্রস-ডিসিপ্লিনারি ইঞ্জিনিয়ারিং জ্ঞান নিশ্চিত করে, যা আমরা আমাদের তৈরি করা প্রতিটি ফ্ল্যাঞ্জড গ্লোব ভালভে প্রয়োগ করি। এটি আমাদেরকে উচ্চতর উপাদান নির্বাচন, নির্ভুলতা মেশিনিং এবং কর্মক্ষমতা পরীক্ষার অফার করার অনুমতি দেয়, গ্যারান্টি দেয় যে প্রতিটি ভালভ শিল্প পরিষেবার দাবির জন্য প্রয়োজনীয় স্থায়িত্ব, সুনির্দিষ্ট নিয়ন্ত্রণ এবং দীর্ঘমেয়াদী নির্ভরযোগ্যতা সরবরাহ করে।

একটি ফ্ল্যাঞ্জড গ্লোব ভালভ হল একটি শক্তিশালী শিল্প প্রবাহ নিয়ন্ত্রণ যন্ত্র যা এর ফ্ল্যাঞ্জযুক্ত প্রান্ত দ্বারা পৃথক করা হয়, যা পাইপলাইনের ফ্ল্যাঞ্জগুলির সাথে একটি সুরক্ষিত, বোল্ট সংযোগের সুবিধা দেয়। এর মূল কাজ হল সুনির্দিষ্ট থ্রটলিং, নিয়ন্ত্রণ এবং তরল প্রবাহের নির্ভরযোগ্য বন্ধ-অফ প্রদান করা। ভালভ একটি রৈখিক-মোশন স্টেমের মাধ্যমে কাজ করে যা একটি ডিস্ক বা প্লাগকে স্থির সিটের রিংয়ের উপর লম্বভাবে নামিয়ে দেয়, যা প্রবাহের দিক (প্রায়ই একটি "S" পথ) একটি বৈশিষ্ট্যগত পরিবর্তন তৈরি করে। এই নকশা সূক্ষ্ম-সুরিত প্রবাহ নিয়ন্ত্রণ এবং ইতিবাচক sealing জন্য অনুমতি দেয়. ফ্ল্যাঞ্জযুক্ত সংযোগ এটিকে উচ্চ-অখণ্ডতা, লিক-প্রতিরোধী ইনস্টলেশনের জন্য উপযুক্ত করে তোলে যা বিদ্যুৎ উৎপাদন, রাসায়নিক প্রক্রিয়াকরণ, তেল ও গ্যাস এবং বড় আকারের HVAC অ্যাপ্লিকেশনগুলিতে পাওয়া যায়।


পণ্য বৈশিষ্ট্য এবং আবেদন

ফ্ল্যাঞ্জড গ্লোব ভালভকে এর বোল্ট করা শেষ সংযোগগুলির দ্বারা আলাদা করা হয়, এটি একটি উচ্চ-শক্তি, লিক-প্রুফ সিল এবং বৃহত্তর পাইপিং নেটওয়ার্কগুলিতে সহজ ইনস্টলেশন নিশ্চিত করে। এর প্রাথমিক বৈশিষ্ট্য হল জেড-বডি ডিজাইন, ব্যতিক্রমী থ্রটলিং নির্ভুলতা এবং নির্ভরযোগ্য শাট-অফ প্রদান করে। আবাসিক এবং বাণিজ্যিক খাতে, এটি প্রধান জলের লাইন, HVAC চিলিং সিস্টেম এবং বয়লার ফিডওয়াটার নিয়ন্ত্রণের জন্য ব্যাপকভাবে ব্যবহৃত হয়, যেখানে ঘন ঘন রক্ষণাবেক্ষণ এবং স্থিতিশীল প্রবাহ নিয়ন্ত্রণ অপরিহার্য।


পণ্য পরামিতি

প্রযুক্তিগত স্পেসিফিকেশন

নামমাত্র চাপ: 1.6 MPa

কাজের মাধ্যম: জল, তেল, অ-ক্ষয়কারী এবং অ দাহ্য গ্যাস

অপারেটিং তাপমাত্রা: -20°C ≤ T ≤ 150°C


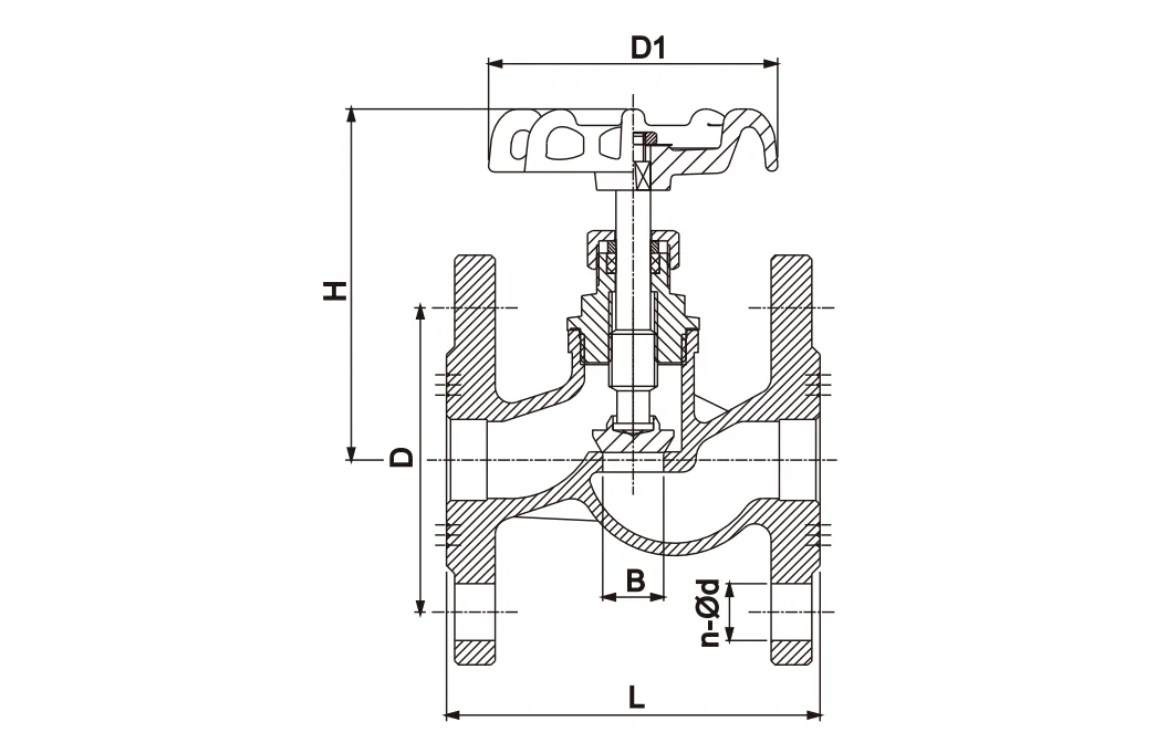
পণ্যের মাত্রা

Flanged Globe Valve

ডিএন

এল (মিমি)

H (মিমি)

D1 (মিমি)

D (মিমি)

খ (মিমি)

n-Φd

WT (g)

15

79

90

75

65

14

4-14

1195.0

20

88

95

80

75

17

4-14

1637.0

25

92

105

80

85

21

4-14

1926.0

32

107

147

110

100

28

4-18

3404.0

40

131

154

110

110

36

4-18

4223.0

50

171

188

145

125

45

4-18

6489.0

65

197

212

145

145

63

4-18

9249.0

80

246

324

200

160

83

8-18

17556.0

100

275

378

240

180

97

8-18

24328.0

125

335

438

240

210

120

8-18

30200.0

150

350

480

300

240

140

8-18

35000.0


ইনস্টলেশন নির্দেশিকা

1. ভালভ ইনস্টল করার আগে পাইপিং সিস্টেমটি পুঙ্খানুপুঙ্খভাবে পরিষ্কার করুন এবং প্রস্তুত করুন।

2. ইনস্টলেশনের আগে, কোনও প্রতিরক্ষামূলক প্রান্তের ক্যাপগুলি সরিয়ে ফেলুন এবং ভালভ পোর্ট এবং বসার পৃষ্ঠতলগুলি পরিষ্কার কিনা তা নিশ্চিত করুন৷

3. সংযোগ পাইপিং থেকে চাপ এড়াতে ভালভের জন্য পর্যাপ্ত সমর্থন প্রদান করুন।

4. নিশ্চিত করুন যে ফ্ল্যাঞ্জড গ্লোব ভালভের চাপ এবং তাপমাত্রার রেটিংগুলি উদ্দেশ্যমূলক পরিষেবার শর্তগুলির জন্য উপযুক্ত৷

5. পরিষেবাতে ভালভ স্থাপন করার আগে, মসৃণ অপারেশন যাচাই করার জন্য এটিকে খোলা থেকে বন্ধ পর্যন্ত সম্পূর্ণভাবে সাইকেল করুন।

6. ইনস্টলেশনের পরে, প্যাকিং বাদামটি সঠিকভাবে শক্ত করা হয়েছে কিনা তা পরীক্ষা করুন।

7. গেট এবং গ্লোব ভালভের জন্য, স্টেম উল্লম্ব এবং উপরে অপারেটিং হ্যান্ডেলের সাথে ইনস্টল করার সুপারিশ করা হয়।


অপারেটিং নির্দেশাবলী

1. গেট এবং গ্লোব ভালভ ম্যানুয়ালি পরিচালিত হয়। খোলার জন্য হ্যান্ডেলটি ঘড়ির কাঁটার বিপরীত দিকে এবং বন্ধ করার জন্য ঘড়ির কাঁটার দিকে ঘুরুন।

পরিদর্শন এবং রক্ষণাবেক্ষণ

2. নিয়মিত পরিদর্শন এবং প্রতিরোধমূলক রক্ষণাবেক্ষণের প্রয়োজন হয় না, মাঝে মাঝে স্টেম প্যাকিং এবং খোলা থেকে বন্ধ ভালভের পর্যায়ক্রমিক সাইকেল চালানোর পাশাপাশি।

3. যদি একটি প্যাকিং লিক ঘটে, তাহলে প্যাকিং বাদামটিকে ঘড়ির কাঁটার দিকে প্রায় এক চতুর্থাংশ বাঁক দিয়ে শক্ত করুন - বা ফুটো বন্ধ না হওয়া পর্যন্ত - স্টেম প্যাকিংয়ের উপর সিলিং চাপ বাড়ানোর জন্য৷ সিস্টেমের চাপে থাকা অবস্থায় কখনই একটি ভালভ পুনরায় প্যাক করবেন না।

4. যখন ভালভ স্টেম প্রতিস্থাপন, এছাড়াও প্যাকিং উপাদান প্রতিস্থাপন.


প্রতিস্থাপন যন্ত্রাংশ

স্বাভাবিক অপারেটিং অবস্থার অধীনে, প্রতিস্থাপন অংশ খুব কমই প্রয়োজন হয়. প্রতিটি ভালভ ধরনের জন্য প্রস্তাবিত খুচরা যন্ত্রাংশ অন্তর্ভুক্ত:

গ্লোব ভালভ: হ্যান্ডেল, হ্যান্ডেল বাদাম, প্যাকিং, গ্রন্থি, প্যাকিং বাদাম, ডিস্ক এবং আসন।

যন্ত্রাংশ অর্ডার করার সময়, অনুগ্রহ করে ভালভের চিত্র নম্বর, আকার, প্রয়োজনীয় অংশ এবং আনুমানিক বয়স প্রদান করুন।



হট ট্যাগ: চীন ফ্ল্যাঞ্জড গ্লোব ভালভ প্রস্তুতকারক, সরবরাহকারী
অনুসন্ধান পাঠান
যোগাযোগের তথ্য
উদ্ধৃতি বা সহযোগিতার বিষয়ে আপনার যদি কোনো জিজ্ঞাসা থাকে, অনুগ্রহ করে আমাদের zchen@gentantvalves.com এ ইমেল করুন বা নিম্নলিখিত অনুসন্ধান ফর্মটি ব্যবহার করুন। আমাদের বিক্রয় প্রতিনিধি 24 ঘন্টার মধ্যে আপনার সাথে যোগাযোগ করবে। আমাদের পণ্য আপনার আগ্রহের জন্য আপনাকে ধন্যবাদ.
X
আমরা আপনাকে একটি ভাল ব্রাউজিং অভিজ্ঞতা দিতে, সাইটের ট্র্যাফিক বিশ্লেষণ করতে এবং সামগ্রী ব্যক্তিগতকৃত করতে কুকিজ ব্যবহার করি। এই সাইটটি ব্যবহার করে, আপনি আমাদের কুকিজ ব্যবহারে সম্মত হন। গোপনীয়তা নীতি
প্রত্যাখ্যান করুন গ্রহণ করুন